Авто-Капитал

Телефон г. Ярославль, пр-т Октября, 89
показать схему проезда
Телефон Написать нам
Авто-Капитал Коммерческое предложение
В связи с нестабильным курсом € и $ цены на сайте являются ориентировочными. Уточняйте финальную стоимость товара у менеджеров.

APAC 1731.C7 Катушка для раздачи воздуха/воды, закрытая пластиковая

Производитель: (Италия) Марка: 1731.C7
Цена: 12 750 р.
Отображать цену: Р. $
Быстрый заказ

Описание: Катушка для раздачи воздуха/воды, закрытая пластиковая, диаметр шлангов 10х14,5 PVC, длина шлангов 20+1 метров

В каждом автосервисе используется пневмоинструмент, например, пневмогайковерт. Для подачи воздуха к нему от пневмолинии чаще всего применяют обычный резиновый шланг или витой шланг из полиуретана. Такое решение доставляет массу неудобств во время работы. Ведь постоянно путающийся под ногами шланг представляет большую угрозу безопасности механика, а также подвергается постоянному износу. Решить эти проблемы можно с помощью инерционной катушки с намотанным на нее шлангом. Корпус катушки изготавливается из ударопрочного пластика или металла и может быть, как закрытого, так и открытого типа. Материал шланга может быть различным, но как правило, используют поливинилхлорид, который при достаточной прочности обладает отличной гибкостью и стойкостью к истиранию. При этом вес такого шланга меньше, чем шланга, изготовленного из резины. Благодаря всем преимуществам, катушки являются более эргономичным решением подачи воздуха. Кроме этого, такой тип катушек можно применять и на автомойках, где имеются те же проблемы с обычным шлангом.
Компактные габариты корпуса катушки позволяют установить ее в любом удобном месте. Чаще всего монтаж проводится на стенах или колоннах здания. Благодаря поворотному кронштейну катушка может поворачиваться на 180 градусов. Неподвижная часть шланга, через которую воздух или вода попадают в катушку, имеет длину не более 1 метра и подключается к трубопроводу сжатого воздуха или воды. Подвижная часть шланга, выходящая из катушки, подключается к пневмоинструменту и может вытягиваться на необходимую длину и фиксироваться в таком положении. За счет регулируемой длины шланга, он, в отличие от обычных шлангов, не мешается при работе, а ограничитель сматывания не дает шлангу полностью смотаться в корпус после окончания работы.
Среди наиболее важных характеристик, отличающих одну катушку от другой можно отметить:


Тип корпуса катушки
Материал корпуса катушки
Длина шланга
Внутренний и внешний диаметр шланга
Материал шланга
Диаметр резьбы наконечников шланга
Рабочее давление и температура шланга


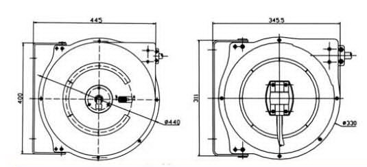
Катушка APAC 1731.С7 применяется для раздачи воздуха или воды и имеет следующие эксплуатационные характеристики:


Тип корпуса: закрытый
Материал корпуса: ударопрочный пластик
Длина шланга: 20 метров
Внутренний диаметр шланга: 10 мм
Внешний диаметр шланга: 14,5 мм
Материал шланга: ПВХ (поливинилхлорид)
Диаметр резьбы наконечников шланга: 3/8”
Рабочее давление шланга: 20 бар
Рабочая температура шланга: 60 °C

Технические характеристики:

Упак. размеры, Д/Ш/В, мм 485/230/490
Вес брутто, кг. 9.5
Кол-во мест, шт. 1
Категория Катушки, фильтры
Тип катушка
Диаметр шланга, мм. 10х14,5
Длина шланга/ов, м. 20
Корпус закрытый
Присоед. резьба, " 3/8
Рабочее давление, бар 20
Разъем, " 3/8
Темп. диапазон, С 60
Напечатать

Похожие товары

Раздел не найден.

Задать вопрос о товаре

Если у вас возникли вопросы по данному оборудованию, вы можете задать их, используя форму обратной связи, либо связаться с нами по телефону +7 (4852) 58-11-12.

Отправить сообщение в компанию:

Прикрепить файл:

Проверочный код
* — поля, обязательные для заполнения

Нажимая кнопку «Отправить» я даю свое согласие на обработку моих персональных данных, соглашаюсь с пользовательским соглашением, ознакомлен с политикой конфиденциальности и обработки персональных данных.